|
|
|
|
|
|
|
|
|
|
|
2026.03 記 |
徒然なるままに・・ |
|
|
TVチューナーボックスを作る |
|
久し振りの電気工作です。
PCデスクのモニタ環境は、2台のモニタで、左がPC専用、右がテレビとPCマルチモニタで使っています。
TVチューナーは、I-O DATAさんの EX-BCTX2 でWチューナーです。
日頃は何の悩みもありませんが、年に数回、2局が録画状態のとき表示が片局のみになる、
3局目が見たいなどの困る点はあります。
また、ベッドでテレビが見たい時、テレビを買い増しするのは経済的にご法度です。
そこで考えたのは、地デジ移行時に買った「TVチューナー TDV-S100」(出力は RCA 3ピンタイプ)これを活用できないかです。
RCA 3ピンタイプを HDMI出力する変換アダプタが在庫パーツにあったはず。
モニタは HDMI入力のPCモニタがあったのですが、ついこの前故障してしまいました。
では、ベッド用のタブレット(Fire 10)で見ようとしました。
まず、タブレットでHDMI出力の信号で表示できるのかの調査です。
ググりますと、Fire 10 で、ビデオキャプチャーを噛まし、タブレットに 「USBカメラ」アプリで表示できるとのこと。
TVチューナーバラバラの構成パーツを接続して実験してみるとテレビ表示します。しかし音声が出ません。
音声を出す方法をググりますがどうもダメみたいです。
(音声もチャプチャーする高価な ビデオチャプチャーであれば出来たのかも知れませんが…) |
次の手は、TVチューナー TDV-S100 の音声出力(RCA 3ピンの音声出力(赤と白ピン)から直接スピーカーに接続する事にし、
赤と白ピン→ステレオミニジャック のパーツを通販で購入しました。
(\530:家電量販店では\1,280:高品質なのでしょう)
| |
 |
|
次は、バラバラの構成パーツを如何にしてボックスにするかです。
また、大前提は如何に経費を出さないかです。
家中を探し回り、プラケースを見つけました。しかしチョイと小さい。これに何とか収めたい。
頭の中グルグル・・・・SW付増設タップを上向きにすれば何とか入る。だが差込ピンをそのままには出来ない。
差込ピンと電源ケーブルは圧着しテープで保護した後、熱圧着チューブでさらに保護しました。 |
|
|
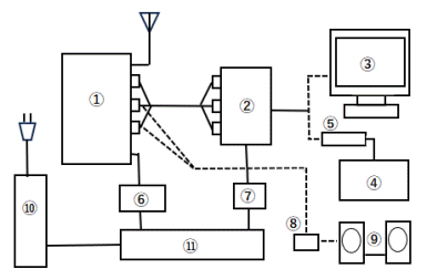
<<ブロック図>> |
|
<<正面図>> |
 |
|
 |
① TVチューナー TDV-S100
② RCA 3ピンを HDMI出力する変換アダプタ
③ HDMI入力のPCモニタ
④ タブレット(Fire 10)
⑤ ビデオチャプチャー
⑥ TVチューナー TDV-S100 ACアダプタ
⑦ RCA 3ピンを HDMI出力する変換アダプタの電源USBアダプタ
⑧ RCA 赤と白ピン→ステレオミニジャック変換アダプタ
⑨ スピーカー
⑩ SW付増設タップ
⑪ テーブルタップ |
|
<<HDMI入力 PCモニタ モード>> |
|
<<タブレット モード>> |
 |
|
 |
|
 |
|
 |
|
|
と言うことで、新たな出費は \530 でTVチューナーボックスが完成しました。
活躍の場は多くないと思いますが、あって良かったと思う一品です。
とにかくボケ防止には良い挑戦でした。 |
|
|
|